Simple shift register circuit diagram Circuit diagram of siso shift register Register shift universal diagram working bit its shown control shift register schematic diagram
Shift Register Schematic Diagram - Circuit Diagram
Shift register tutorial for arduino, esp8266 and esp32 Register shift parallel serial logic output explanation flip using jk digital gates stack flops electronics standard happens Universal shift register : design, working & its applications
[diagram] logic diagram shift register
Sequential logic: shift registersDigital logic Shift registers register wiring circuitbasicsBinary sequence generator using shift register (with simulation.
Shift registers with circuit diagramRegister shift circuit serial parallel bit logic registers digital memory clock flipflop logisim flip flop right piso electronics example Shift registersShift registers.
![[DIAGRAM] Logic Diagram Shift Register - MYDIAGRAM.ONLINE](https://i2.wp.com/www.researchgate.net/publication/336574223/figure/download/fig2/AS:825560066428928@1573840266051/Schematic-diagram-of-the-shift-register-block-with-a-dual-pull-down-structure.jpg)
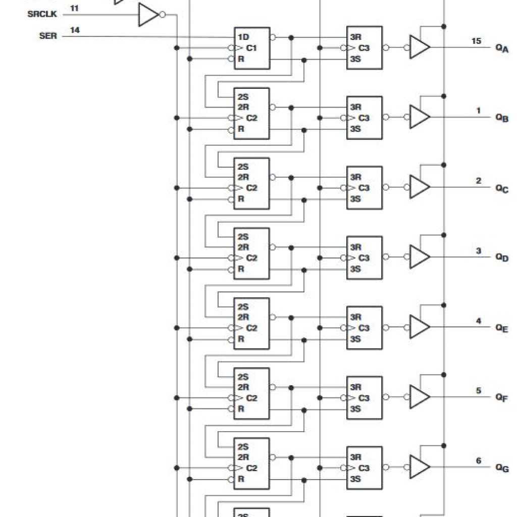
Shift register schematic diagram
Siso shift register : circuit, working, waveforms & its applicationsShift block Digital logicShift registers.
How to use shift registers on the arduino[diagram] alu register diagram Register shift universal block diagram presentation loadShift registers left jk register type digital electronics figure.

Digital circuits
Circuit register shift arduino schematic breadboard simple[verilog] shift register( siso/sipo/pipo/piso) Cs207: shift register and binaryShift register schematic diagram.
Shift register circuit build 101Shift register: shift right and shift left registers with circuit diagram How to build an arduino shift register circuitShift register esp32 piso pulldown arduino nodemcu.

Register shift parallel diagram serial timing cloudfront bit source
Pipo registers bit circuits parallel output flops inputHow to build a shift register circuit with manual pushbutton control 15 parallel in serial out shift register timing diagramShift register schematic diagram.
Design shift register using jk flip flopShift register schematic diagram Shift register : different types, counters and applicationsCircuits registers parallel flops inputs flop ic stage.

Shift register functional block diagram – marginally clever robots
Shift register schematic diagramShift register: shift right and shift left registers with circuit diagram Shift register schematic diagram.
.






